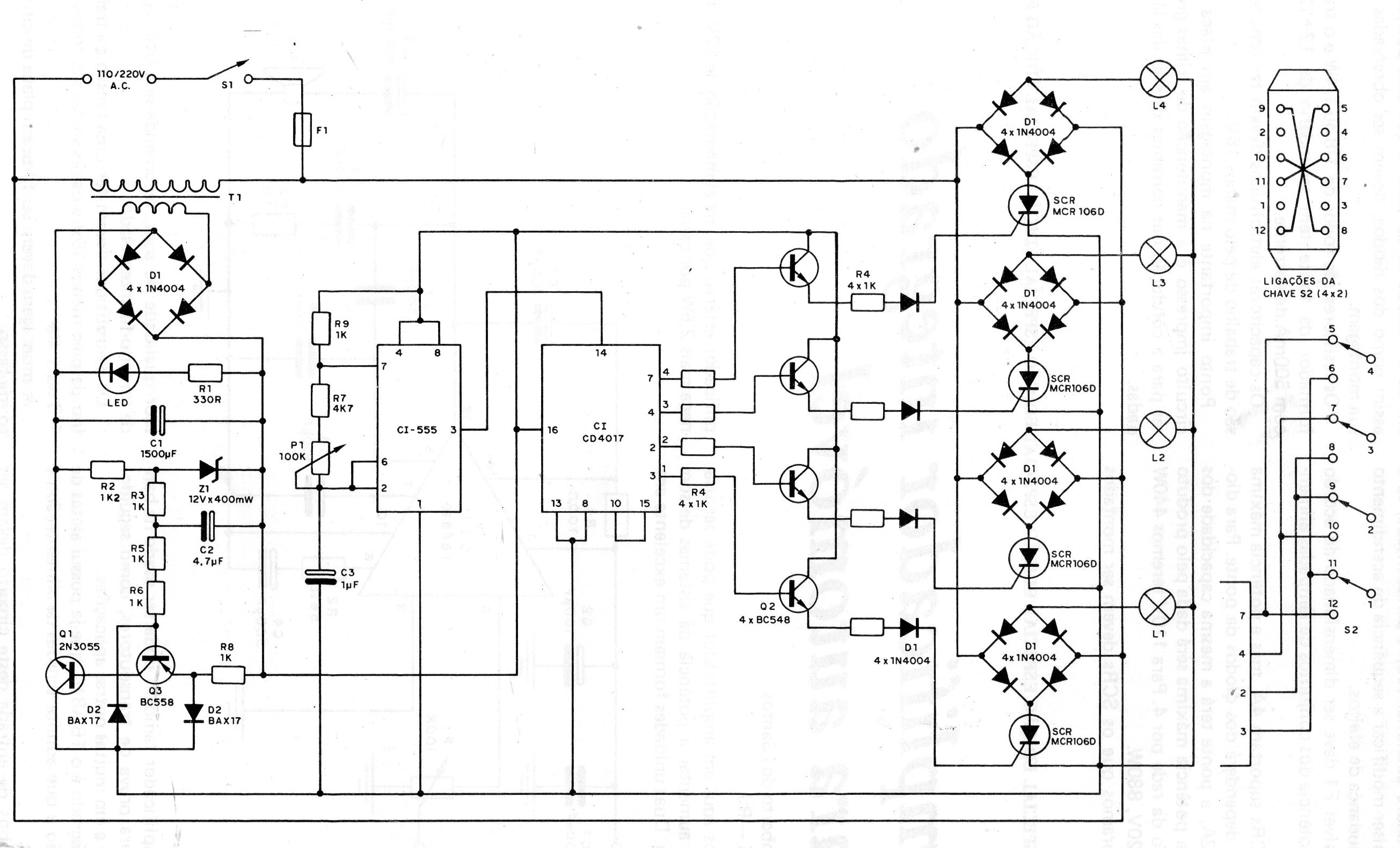
Este es uno de los muchos circuitos secuenciales que tenemos en esta sección y en el sitio. Este circuito es de 1985 sirviendo sólo para lámparas incandescentes para una potencia máxima que depende de los diodos y de los SCR. En este caso, algo alrededor de 2 A para los 1N4004 o 1N4007. Los SCR deben estar dotados de disipadores de calor. El transformador de alimentación puede tener de 6 a 9 V de secundario y corriente de 500 mA a 1 A.




