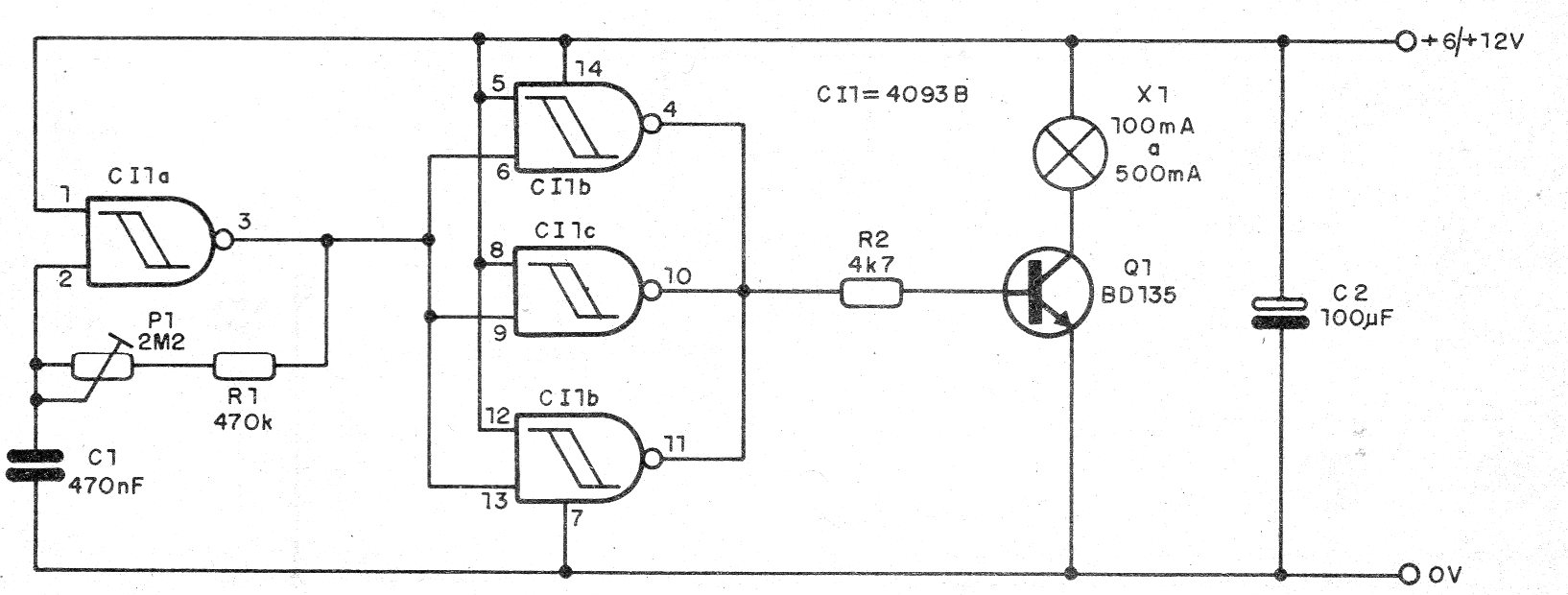
Este circuito puede accionar lámparas hasta 500 mA o incluso LED de alto brillo con una resistencia en serie de acuerdo con la corriente requerida. La frecuencia de los intermitentes se ajusta en el potenciómetro y la tensión de alimentación de 6 a 12 V depende de la lámpara o de los LED. Para corrientes mayores que 200 mA, el transistor debe estar dotado de un disipador de calor.




