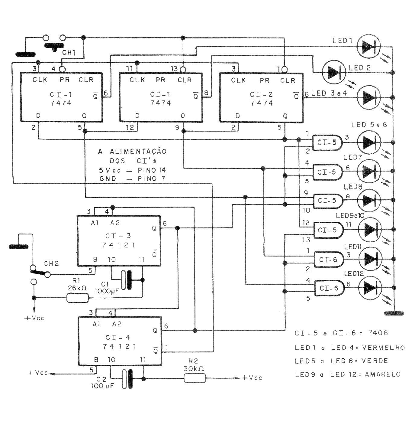
Este es un circuito TTL de 1993, pero puede ser montado con facilidad en nuestros días, principalmente con fines didácticos. Los osciladores 74121 pueden ser cambiados por el 555 y la alimentación debe ser hecha con 5 V. Los pines de alimentación de los integrados no se indican en el diagrama, pero no deben ser olvidados.




