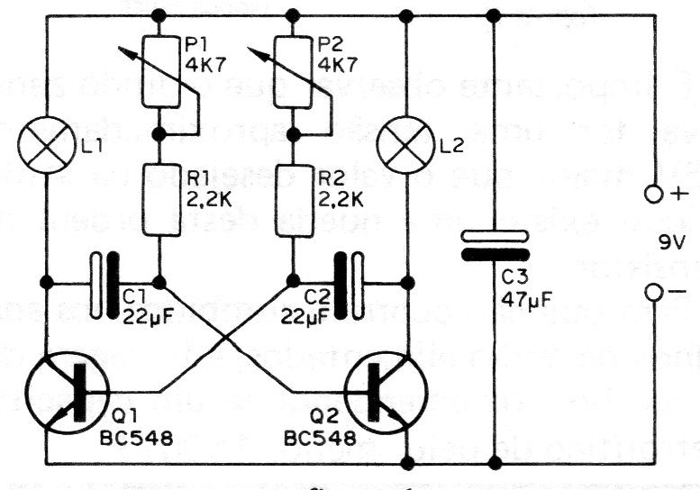
Este parpadeante de dos lámparas incandescentes fue descubierto en una documentación de 1983 y tiene dos controles de frecuencia. La configuración no tiene nada nuevo. Se trata de un multivibrador astable en el que la frecuencia es determinada tanto por los resistores de polarización de base de los transistores, como por los capacitores de acoplamiento. En el circuito se utilizan condensadores de 22 uF, pero para disminuir la frecuencia de los intermitentes se pueden utilizar capacitores de 47uF o incluso mayores. Por la alteración del valor de los resistores de base se puede modificar sensiblemente el tiempo de encendido de cada lámpara y, por lo tanto, la frecuencia de operación del circuito. Este cambio se realiza por dos controles independientes, conectados en la base de cada transistor. Estos son potenciómetros, cuyos valores pueden situarse entre 4k7 y 22 k. Los transistores usados ??son del tipo BC548 que soportan corrientes de hasta 100 mA, corriente que debe ser la máxima de las lámparas usadas. Equivalentes como los BC237, BC238 o BC547, se pueden utilizar perfectamente. La alimentación entre 3 y 9 V depende de las lámparas.




