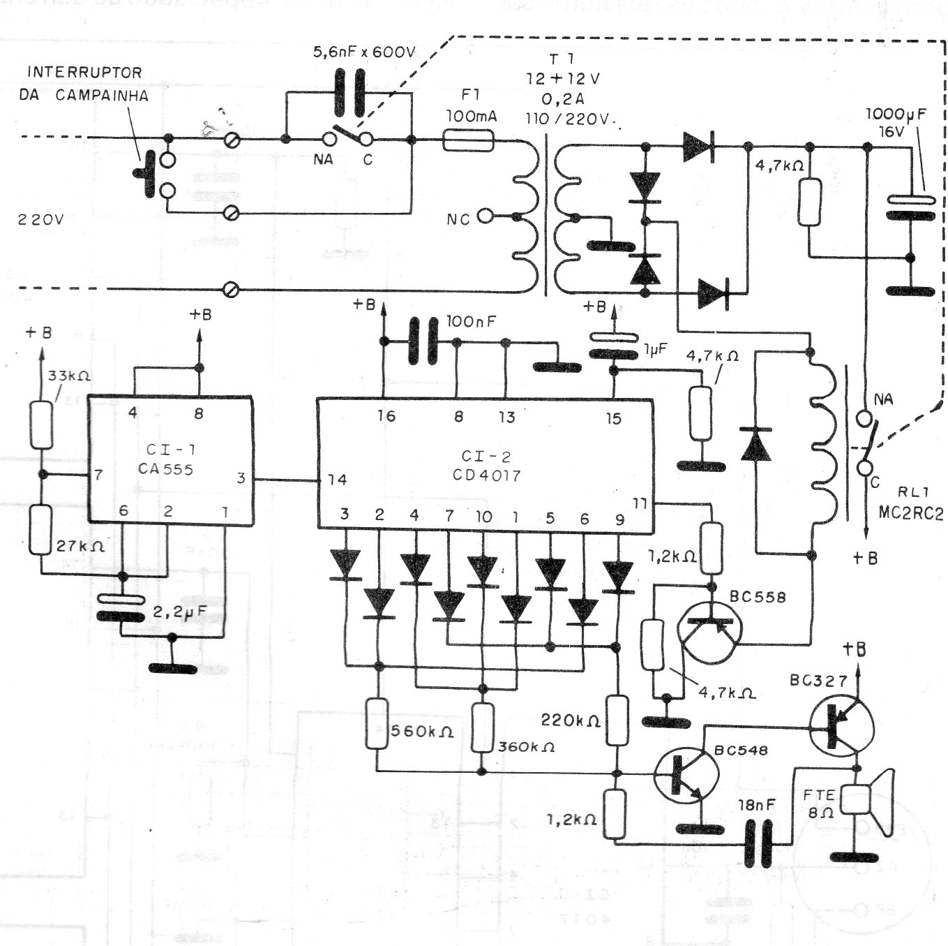
Este circuito se encuentra en una documentación de 1992. Cuando el botón se presiona, el circuito produce una secuencia de notas musicales determinada por el secuenciador con el integrado 4017. El tono principal depende del capacitor junto al oscilador y las notas son de las resistencias junto a la matriz de diodos. El circuito ya incluye su fuente de alimentación.




