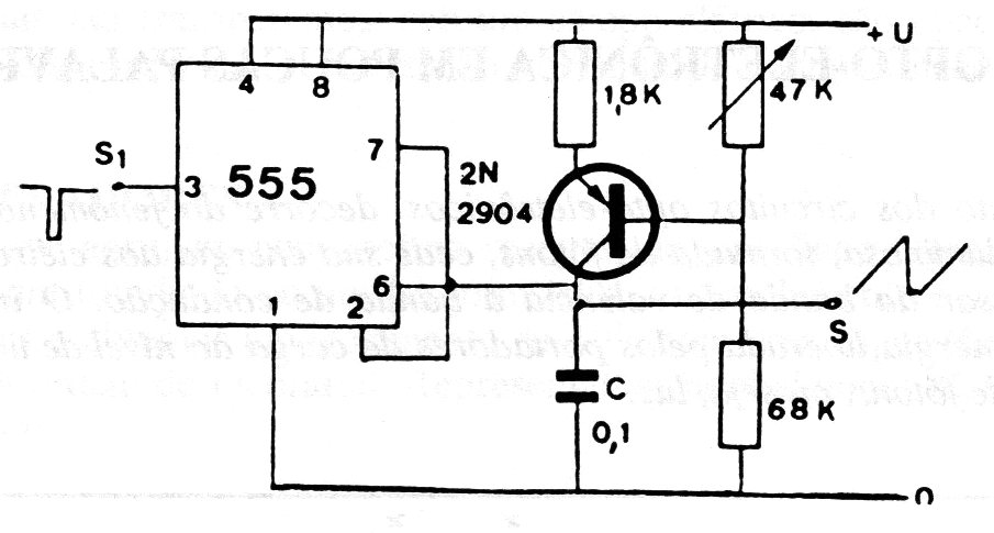
Cualquier transistor de uso general se puede utilizar en este circuito que genera una rampa de ascenso que se puede ajustar en el potenciómetro. El resistor en el colector del transistor y C determinan la frecuencia del circuito que se dispara por pulsos negativos. El circuito puede ser alimentado por tensiones de 5 a 15 V.




