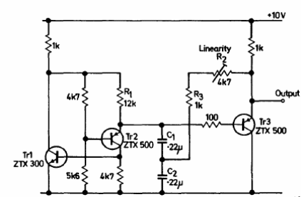
Este circuito fue sugerido por Ferranti en su manual de transistores de 1974. Los transistores pueden ser reemplazados por equivalentes actuales de la serie BC.

Este circuito fue sugerido por Ferranti en su manual de transistores de 1974. Los transistores pueden ser reemplazados por equivalentes actuales de la serie BC.
