Este circuito integrado es indicado para aplicaciones con baja tensión de alimentación como por ejemplo en pequeños aparatos de alta fidelidad que utilizan audífono solamente. Es presentado en cubierta DIL de 8 pin. Podemos destacar las siguientes ventajas en este integrado:
No necesita ningún componente externo.
Puede operar con alimentación de batería en la banda de tensiones de 1,6 a 6,0V.
Corriente en reposo muy baja (típicamente de 3,2mA con alimentación de 3V)
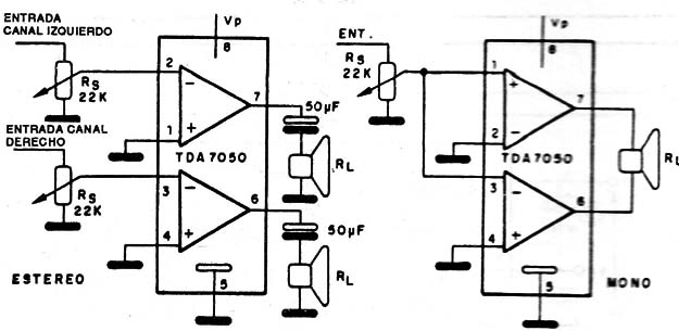
Ganancia con realimentación fijada en26dB en la configuración estéreo ó 32dB en la configuración mono en puente (BTL - Bridge Tied Load)
Para una distorsión total de 10% la tabla da las siguientes relaciones de potencias:





