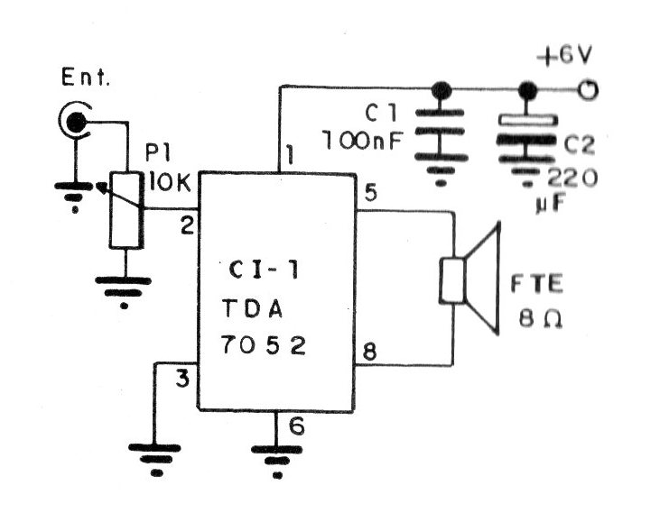
Esta configuración de amplificador es una buena solución actual para quien necesita baja potencia, pocos componentes y baja tensión de alimentación. P1 funciona como control de volumen en este circuito.
Cuando un pulso de luz incide en el LDR, este circuito dispara un temporizador monoestable 555 que acciona...
La frecuencia de los intermitentes del LED depende de la cantidad de luz que incide en el LDR. Con más...
Juguetes interesantes se pueden hacer con motores y circuitos electrónicos. Un ejemplo de ello...