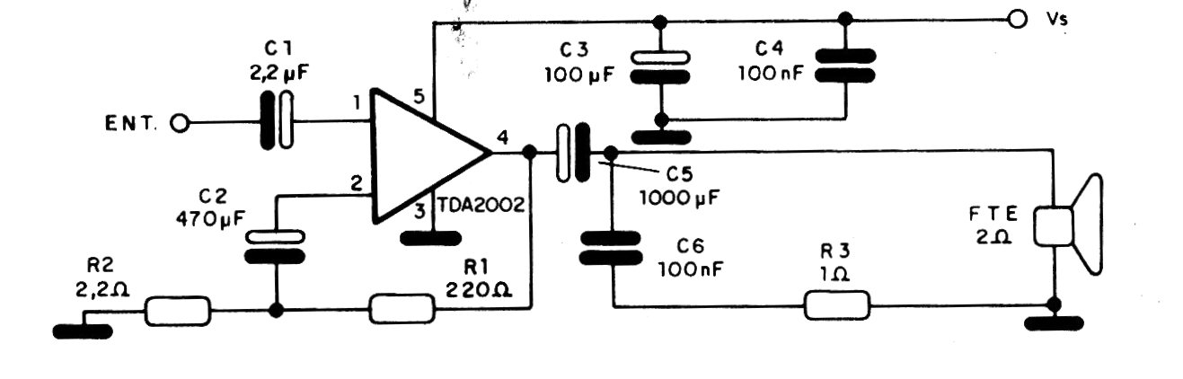
Con alimentación de 12 V y carga de 2 ohms este circuito puede proporcionar una potencia del orden de 8 W. El circuito integrado debe montarse en un disipador de calor. La fuente debe proporcionar al menos 3 A.
Cuando un pulso de luz incide en el LDR, este circuito dispara un temporizador monoestable 555 que acciona...
La frecuencia de los intermitentes del LED depende de la cantidad de luz que incide en el LDR. Con más...
Juguetes interesantes se pueden hacer con motores y circuitos electrónicos. Un ejemplo de ello...