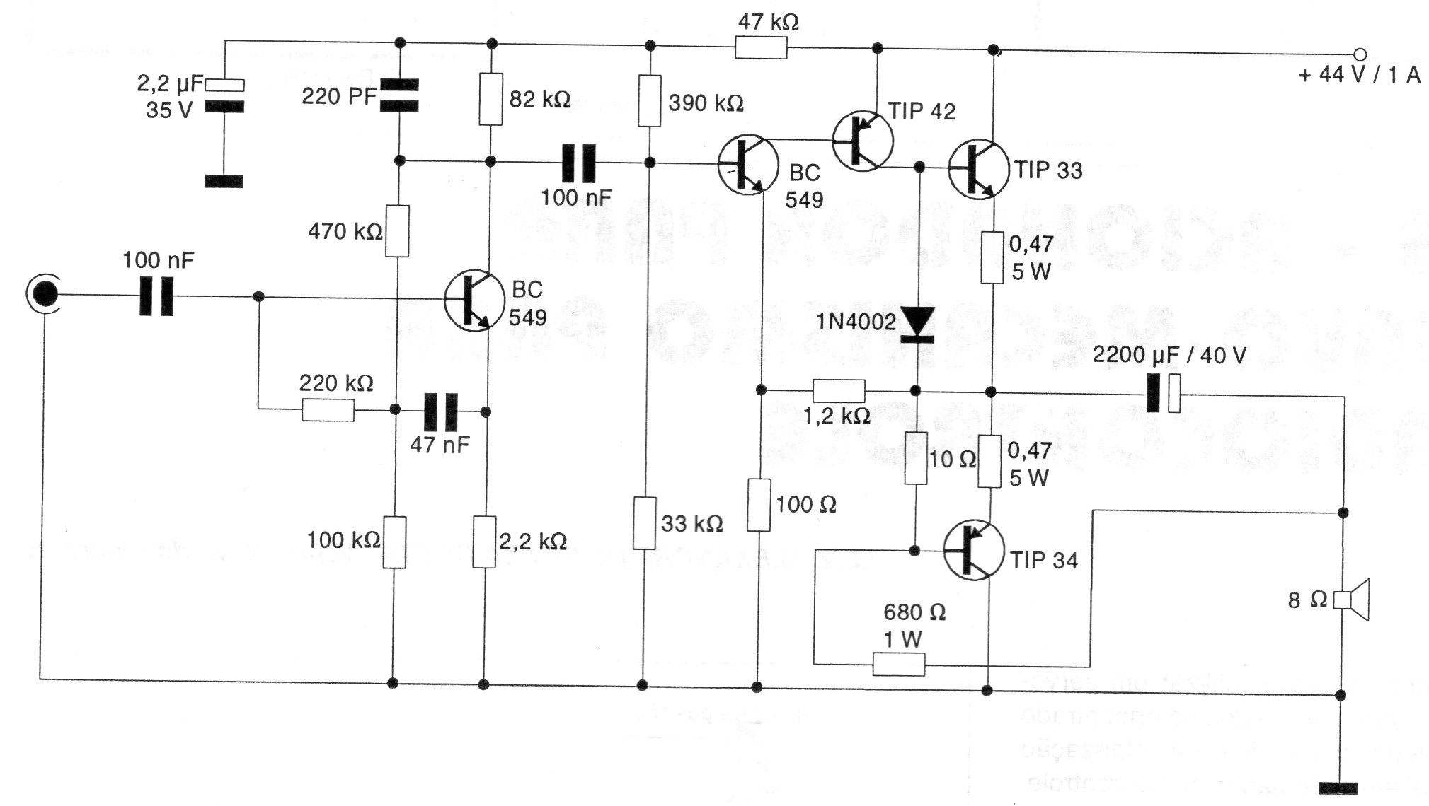
Este circuito tradicional en simetría complementaria proporciona 20 W de potencia rms en una carga de 8 ohms cuando se alimenta con una fuente de 44 V x 1 A. Los transistores de salida deben montarse en buenos radiadores de calor y el diodo 1N4002 en lugar de otro debe montarse en contacto con el disipador de uno de los transistores.




