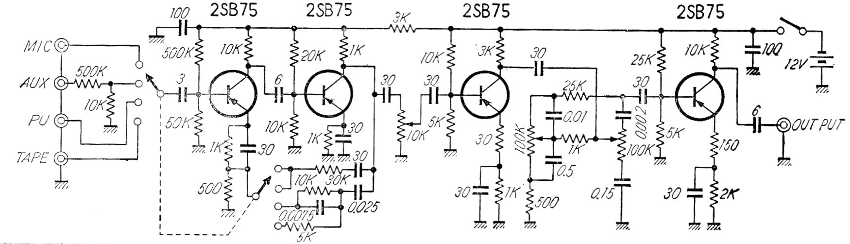
Este pré-amplificador com diversas entradas usando transistores de germânio da época foi encontrado numa documentação japonesa dos anos 60. O circuito tem um controle de graves e agudos Baxandall, ainda novidade na época com excelente desempenho e ganho. A alimentação era feita com tensão de 12 V.




