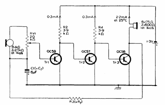
Encontramos este circuito en el antiguo manual de referencia de transistores de la Mullard de 1960. El circuito es alimentado por una sola pila y los transistores son de germanio comunes en la época.

Encontramos este circuito en el antiguo manual de referencia de transistores de la Mullard de 1960. El circuito es alimentado por una sola pila y los transistores son de germanio comunes en la época.
