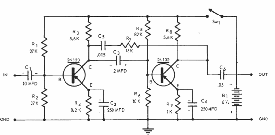
Este circuito fue encontrado en una documentación de Raytheon de 1957. El circuito se puede montar con transistores modernos con pequeños cambios de resistores de polarización. Cables de entrada y salida de señal deben ser blindados.

Este circuito fue encontrado en una documentación de Raytheon de 1957. El circuito se puede montar con transistores modernos con pequeños cambios de resistores de polarización. Cables de entrada y salida de señal deben ser blindados.
