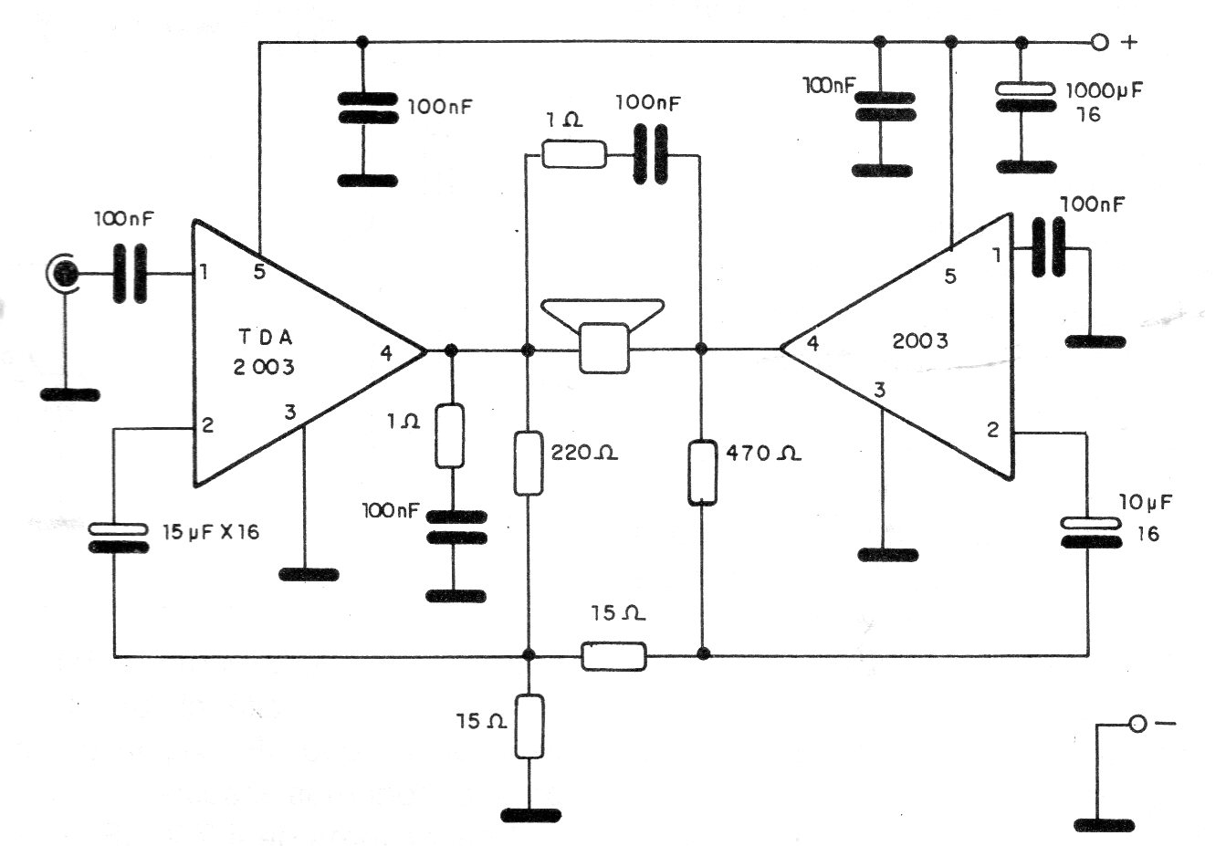
Este amplificador puede proporcionar una potencia de 20 W debiendo los circuitos integrados montados en buenos disipadores de calor. Los circuitos deben ser alimentados con 12 V con al menos 3 A y el altavoz puede tener impedancias a partir de 4 ohms.




