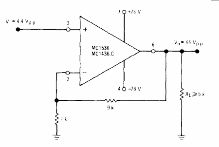
Este amplificador es del Linear Databook de Motorola de 1990. El circuito se puede utilizar con amplificadores operacionales con las mismas características y la fuente de alimentación debe ser simétrica.

Este amplificador es del Linear Databook de Motorola de 1990. El circuito se puede utilizar con amplificadores operacionales con las mismas características y la fuente de alimentación debe ser simétrica.
