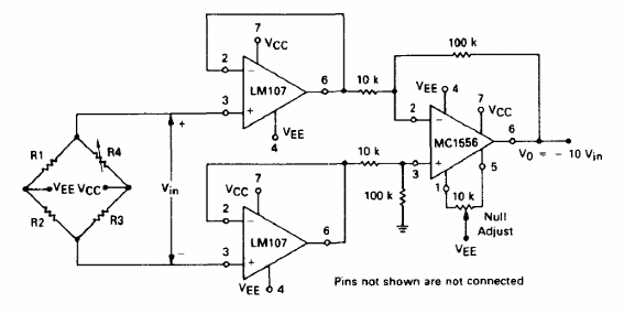
Este circuito es del Linear Databook de Motorola de 1990. Podemos implementarlo con otros operacionales. La fuente de alimentación debe ser simétrica.

Este circuito es del Linear Databook de Motorola de 1990. Podemos implementarlo con otros operacionales. La fuente de alimentación debe ser simétrica.
