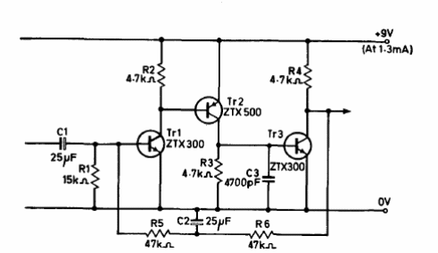
El circuito presentado tiene un rango de respuesta de 40 Hz a 25 kHz con una ganancia media de 4,5 dB. El circuito es del manual de transistores de Ferranti y se pueden utilizar transistores equivalentes.

El circuito presentado tiene un rango de respuesta de 40 Hz a 25 kHz con una ganancia media de 4,5 dB. El circuito es del manual de transistores de Ferranti y se pueden utilizar transistores equivalentes.
