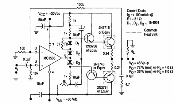
Este circuito, encontrado en el Handbook Linear Interfaz IC de Motorola utiliza el MC1536 como controlador de un amplificador de 36 W o 72 W, con transistores de potencia en el paso de salida. Los transistores equivalentes pueden ser utilizados, debiendo ser dotados de excelentes disipadores de calor. La fuente es de 30 + 30 V.




