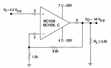
También puede ser utilizado el MC1436 en este circuito sugerido por el Handbook Motorola Linear Interfaz IC de 1993. La fuente debe ser simétrica y la tensión de salida es de 44 Vpp para una ganancia máxima.

También puede ser utilizado el MC1436 en este circuito sugerido por el Handbook Motorola Linear Interfaz IC de 1993. La fuente debe ser simétrica y la tensión de salida es de 44 Vpp para una ganancia máxima.
