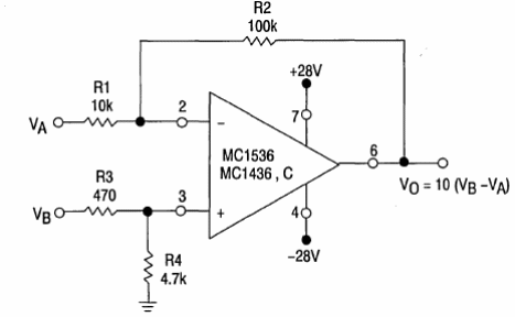
También se puede utilizar el MC1436 en este circuito encontrado en el Handbook Linear Interfaz IC de Motorola de 1993. El circuito tiene una fuente simétrica de 28 V y un rango de tensiones en modo común de +/- 20 V.

También se puede utilizar el MC1436 en este circuito encontrado en el Handbook Linear Interfaz IC de Motorola de 1993. El circuito tiene una fuente simétrica de 28 V y un rango de tensiones en modo común de +/- 20 V.
