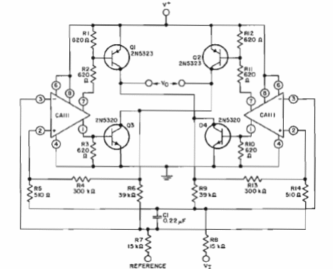
Este amplificador conmutado o PWM se obtuvo en el manual de circuitos integrados lineales de la RCA de 1972. Los componentes se pueden sustituir por equivalentes más modernos, como los transistores de potencia de salida que pueden ser de la serie TIP dotados de radiadores de calor. La alimentación simétrica debe situarse entre 5 y 12 V.




