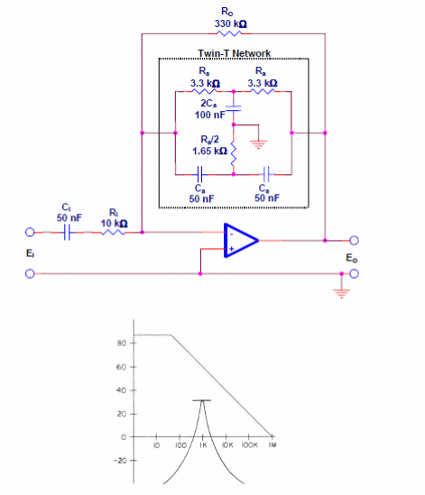
Este circuito es de un application note de Texas Instruments de 2016. El circuito utiliza un operacional común y sus características son dadas por el doble T en el eslabón de realimentación. Para los valores de los componentes indicados la curva de respuesta está centralizada en 1 kHz como muestra el gráfico junto al diagrama.




