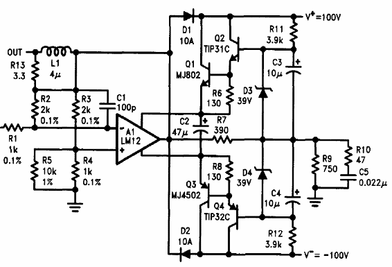
El amplificador presentado se basa en el LM12 de National Semiconductor y transistores de alta potencia MJ. Los componentes citados no son fáciles de obtener. El circuito es del Linear Applicatins Handbook de 1994.

El amplificador presentado se basa en el LM12 de National Semiconductor y transistores de alta potencia MJ. Los componentes citados no son fáciles de obtener. El circuito es del Linear Applicatins Handbook de 1994.
