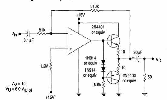
Otros amplificadores de la serie como el MC3301, MC3401 y LM2900 se pueden utilizar en este circuito. Encontramos esta configuración en el Linear Interface IC de Motorola. Los transistores usados admite equivalentes.

Otros amplificadores de la serie como el MC3301, MC3401 y LM2900 se pueden utilizar en este circuito. Encontramos esta configuración en el Linear Interface IC de Motorola. Los transistores usados admite equivalentes.
