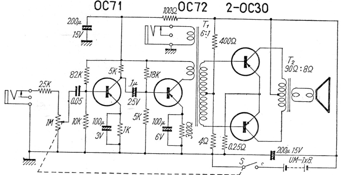
Este es un circuito comercial de un amplificador transistorizado de algunos watts con el transistor OC30. La alimentación de 12 V se realiza con 8 pilas grandes y los transistores de potencia deben montarse en disipadores de calor apropiados. El circuito es de los años 60.




