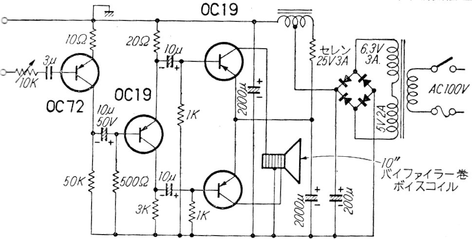
Este amplificador con salida OTL de baja impedancia fue encontrado en una documentación de los años 60. El circuito proporciona algunos vatios a un altavoz de baja impedancia. Los transistores deben montarse en buenos disipadores de calor. La fuente de alimentación está incluida.




