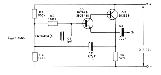
La impedancia de entrada de este paso amplificador es de 2 M ohms lo que la hace ideal para aplicaciones con transductores piezoeléctricos y otras fuentes de señales débiles. Se puede utilizar para conectar las entradas analógicas de un Arduino con señales de audio. El circuito puede ser alimentado con tensiones de 3 a 12 V y como el consumo es muy bajo, se pueden utilizar pilas o baterías.




