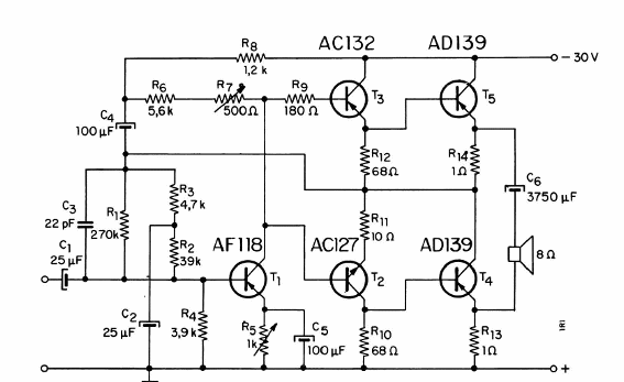
Encontramos este circuito en la Revista Electrónica número 1 de 1964. Utiliza transistores de germanio comunes en la época y proporciona una potencia de hasta 8 W cuando se alimenta con 30 V. Los transistores de salida deben estar dotados de disipadores de calor.




