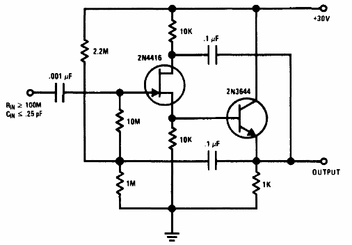
Este amplificador de dos etapas tiene una impedancia de entrada de 100 M ohms y una ganancia unitaria de tensión. Se puede implementar con un BF245 y un BC548. El circuito es del Linear Applications Handbook de National Semiconductor de 1994.

Este amplificador de dos etapas tiene una impedancia de entrada de 100 M ohms y una ganancia unitaria de tensión. Se puede implementar con un BF245 y un BC548. El circuito es del Linear Applications Handbook de National Semiconductor de 1994.
