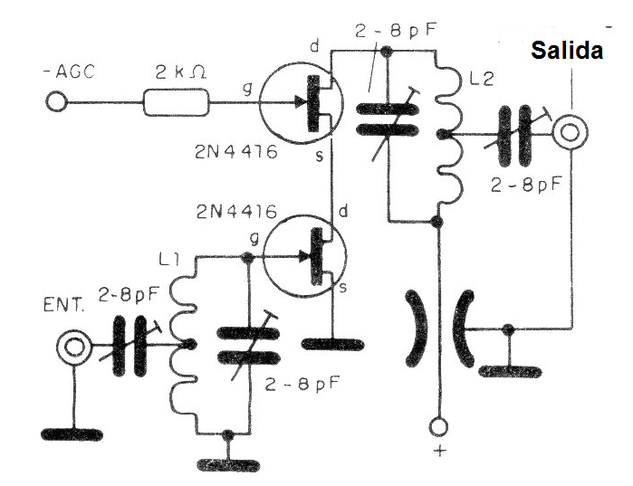
Este circuito es de una documentación especializada en FETs de 1992. La bobina L1 tiene 0,07 uH con toma central y L2 tiene 0,07 uH con toma en ¼ de las espiras del lado de tierra. Se pueden utilizar transistores equivalentes. La alimentación se realiza con tensiones de 9 a 12 V.




