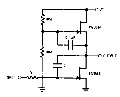
El circuito mostrado se puede alimentar con tensiones de 9 a 15 V. Encontramos esta configuración en el FET Databook de National Semiconductor. Los FET admite equivalentes.

El circuito mostrado se puede alimentar con tensiones de 9 a 15 V. Encontramos esta configuración en el FET Databook de National Semiconductor. Los FET admite equivalentes.
