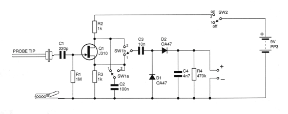
Con esta punta de prueba es posible analizar señales de RF en el osciloscopio o multímetro. El FET puede ser el BF245 y el diodo debe ser preferentemente de germanio. El circuito opera con frecuencias hasta cerca de 100 MHz.

Con esta punta de prueba es posible analizar señales de RF en el osciloscopio o multímetro. El FET puede ser el BF245 y el diodo debe ser preferentemente de germanio. El circuito opera con frecuencias hasta cerca de 100 MHz.
