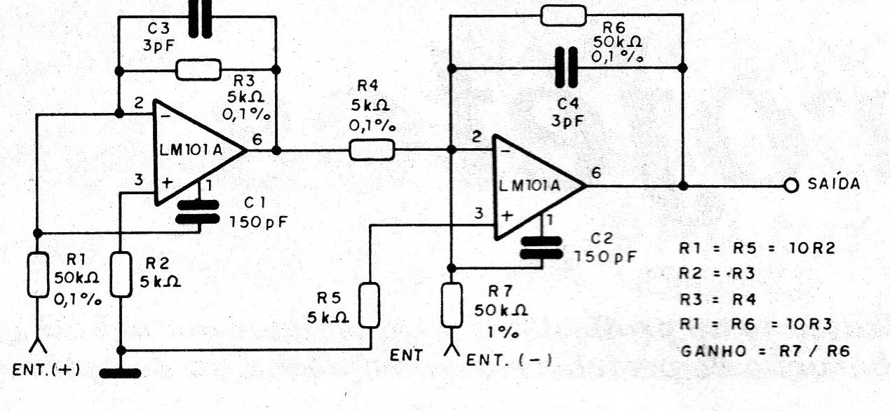
Con base en los LM101A tenemos este amplificador para instrumentación con ganancia 100. Esta ganancia es determinada por la relación entre los resistores R7 y R5. Observe que los resistores deben tener una tolerancia bastante estrecha, la cual será responsable del rechazo en modo común. Los resistores también deben mantener relaciones indicadas en el diagrama para correcto funcionamiento. La impedancia de entrada de este circuito es menor que en el caso del siguiente, pero todavía bastante elevada para las aplicaciones que hacen uso de transductores de altas impedancias.
Amplificador para Instrumentación con ganancia 100 (CIR4416S )
Con base en los LM101A tenemos este amplificador para instrumentación con ganancia 100. Esta ganancia es determinada por la relación entre los resistores R7 y R5. Observe que los resistores deben tener una tolerancia bastante estrecha, la cual será responsable del rechazo en modo común. Los resistores también deben mantener relaciones indicadas en el diagrama para correcto funcionamiento. La impedancia de entrada de este circuito es menor que en el caso del siguiente, pero todavía bastante elevada para las aplicaciones que hacen uso de transductores de altas impedancias.




