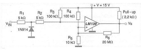
En muchas aplicaciones que involucran el control de circuitos desde la red de energía el detector de paso por cero es un elemento fundamental. Esto ocurre en el caso de los controles de potencia por ángulo de fase que hacen uso de TRIAC y otros tiristores o dispositivos de potencia. Un detector de paso por cero o zero crossing detector no es más que un circuito que produce un pulso de salida cuando una tensión alternada aplicada a su entrada pasa por el punto de cero volt. El circuito, que hace uso de sólo un comparador de tensión, se muestra en la figura. La señal de salida de este circuito es una onda cuadrada que corresponde al signo senoidal aplicado a la entrada. Esto significa que también se puede utilizar para hacer rectangular una señal sinusoidal. La histéresis del circuito es muy baja, menor de 10 mV y la fuente de alimentación no necesita ser simétrica.




