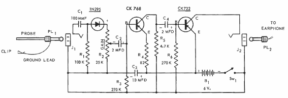
Encontramos este circuito en una publicación sobre transistores de Raytheon de 1957. El circuito puede ser montado con transistores más modernos con pequeños cambios. El auricular debe ser magnético de alta impedancia.

Encontramos este circuito en una publicación sobre transistores de Raytheon de 1957. El circuito puede ser montado con transistores más modernos con pequeños cambios. El auricular debe ser magnético de alta impedancia.
