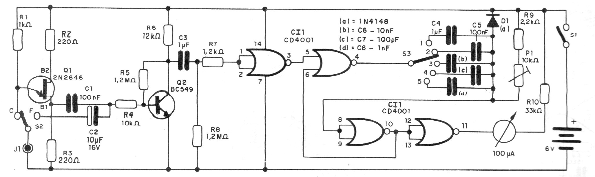
Encontramos este circuito en una publicación de 1994. Utiliza componentes comunes y puede medir frecuencias de 0 a 1 MHz y capacitancias de 1 nF a 1 uF todo en 5 pistas. El circuito utiliza un microamperímetro común o la escala correspondiente de corrientes de un multímetro común. El circuito es alimentado por 4 pilas y la precisión depende de los capacitores usados como referencia y del ajuste de P1. Se puede utilizar la frecuencia de la red de 60 Hz para la calibración.




