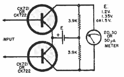
Este circuito es del manual de aplicaciones de Raytheon que lanza el CK722, el primer transistor comercial del mundo en la década de 50. El amplificador diferencial indicado puede utilizar transistores equivalentes más modernos y el instrumento puede ser un multímetro en la escala más baja de corrientes.




