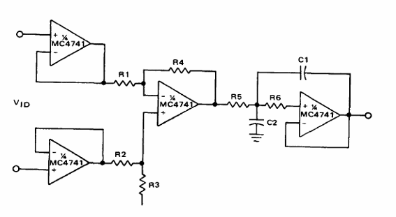
El 4741 consiste en cuatro amplificadores operacionales equivalentes al 741. El circuito es del Linear Databook de Motorola de 1990. El resstor R3 se conecta a tierra. Los resistores son de 100k para R1 a R4 y 10k para R5 y R6. La fuente de alimentación debe ser simétrica.




