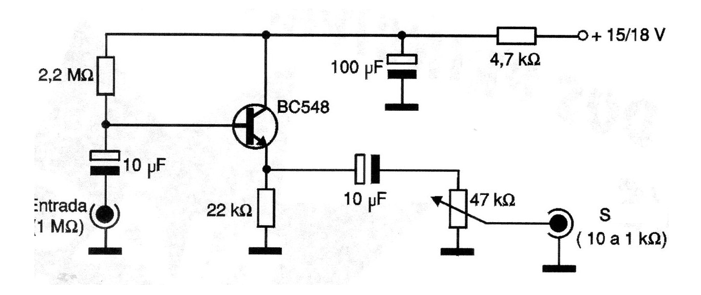
Este circuito, ya explotado en otras aplicaciones de este sitio, permite utilizar una fuente de alta impedancia, como un micrófono, en un equipo que tenga entrada de baja impedancia. La impedancia de entrada es de 1 M ohms y la alimentación debe realizarse con tensiones de 12 a 15 V. La corriente drenada es muy baja.




