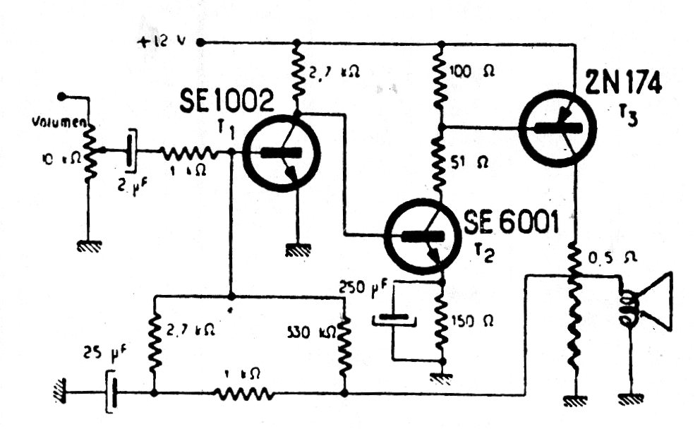
Los transistores de este circuito son poco comunes actualmente, pero se pueden hacer adaptaciones para usar transistores modernos. Encontramos este circuito en una documentación de 1973. El transistor de potencia debe ser montado en radiador de calor.




