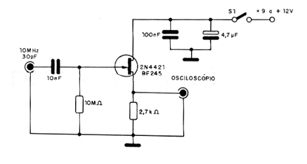
Muchos osciloscopios poseen entradas de altas impedancias que dificultan la observación de señales de altas frecuencias en determinados casos. Con el circuito indicado podemos observar señales de frecuencias hasta 10 MHz, sin el problema del casamiento de impedancias que pueden afectar el circuito. El FET de unión admite equivalentes, y como el consumo del aparato es bajo se puede utilizar una batería de 9 V común para su alimentación.

Casador de Impedancias (CIR1853S )
Muchos osciloscopios poseen entradas de altas impedancias que dificultan la observación de señales de altas frecuencias en determinados casos. Con el circuito indicado podemos observar señales de frecuencias hasta 10 MHz, sin el problema del casamiento de impedancias que pueden afectar el circuito. El FET de unión admite equivalentes, y como el consumo del aparato es bajo se puede utilizar una batería de 9 V común para su alimentación.




