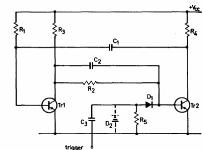
El circuito abajo es del manual de aplicaciones de transistores de Ferranti de 1974. El circuito puede ser cambiado para generar tiempos diferentes y los transistores pueden ser los BC548.

R1, R2, R5 15 kohms
R3, R4 1kohms
C1 0.1 uF
C2 100 pF
C3 150 pF (min)
TR1, TR2 ZTX300
D1, D2 - ZS140



