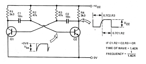
Este circuito fue encontrado en el Electronics Digest de 1984. Se trata de la versión tradicional del multivibrador astable con transistores que el internauta puede encontrar en diversos puntos de este sitio. El circuito oscila en una frecuencia que depende de los resistores R2 y R3 y de los capacitores, según fórmula dada junto al diagrama. El circuito funcionará con tensiones de 3 a 12 V y los transistores pueden ser de cualquier tipo de uso general como los BC547, BC548, BC549, BC549, 2N2222, etc. Observe las formas de onda de las señales en los puntos principales del circuito.




