Encontramos este proyecto en una publicación de 1982. Lo que tenemos aquí es un disparador de relé por señal de audio, el cual puede ser conectado a la salida de un walk-talkie, para controlar un aparato cualquiera de mayor potencia. En la salida de un walk-talkie, según lo sugerido por el autor, al silbar cerca del transmisor, tendremos el disparo del relé y el consiguiente accionamiento del aparato remoto. El transformador de este montaje hace la boda de impedancias entre la salida del waIk-talkie y la entrada del amplificador, de un transistor. Este transformador es del tipo de salida para transistores, con 1 k de impedancia de primario aproximadamente. El autor usó originalmente en el proyecto un transistor AC128 de germanio, pero los transistores PNP de uso general de silicio se pueden experimentar. Los potenciómetros o trimpots en la base del transistor permiten el ajuste del punto ideal de funcionamiento, funcionando el más pequeño como ajuste fino. El relé debe ser del tipo sensible para transistores, capaz de disparar con una tensión de al menos 6 V. El diodo D1 es de uso general, pudiendo ser usado el 1N4001, 1N914 o cualquier otro. El condensador C1, de 1nF, tiene su valor conectado a la frecuencia que el circuito responderá con mayor facilidad. Para responder a los sonidos más agudos este capacitor debe ser de pequeño valor.
Control Remoto Para Walk-Talkie (CIR2268S)
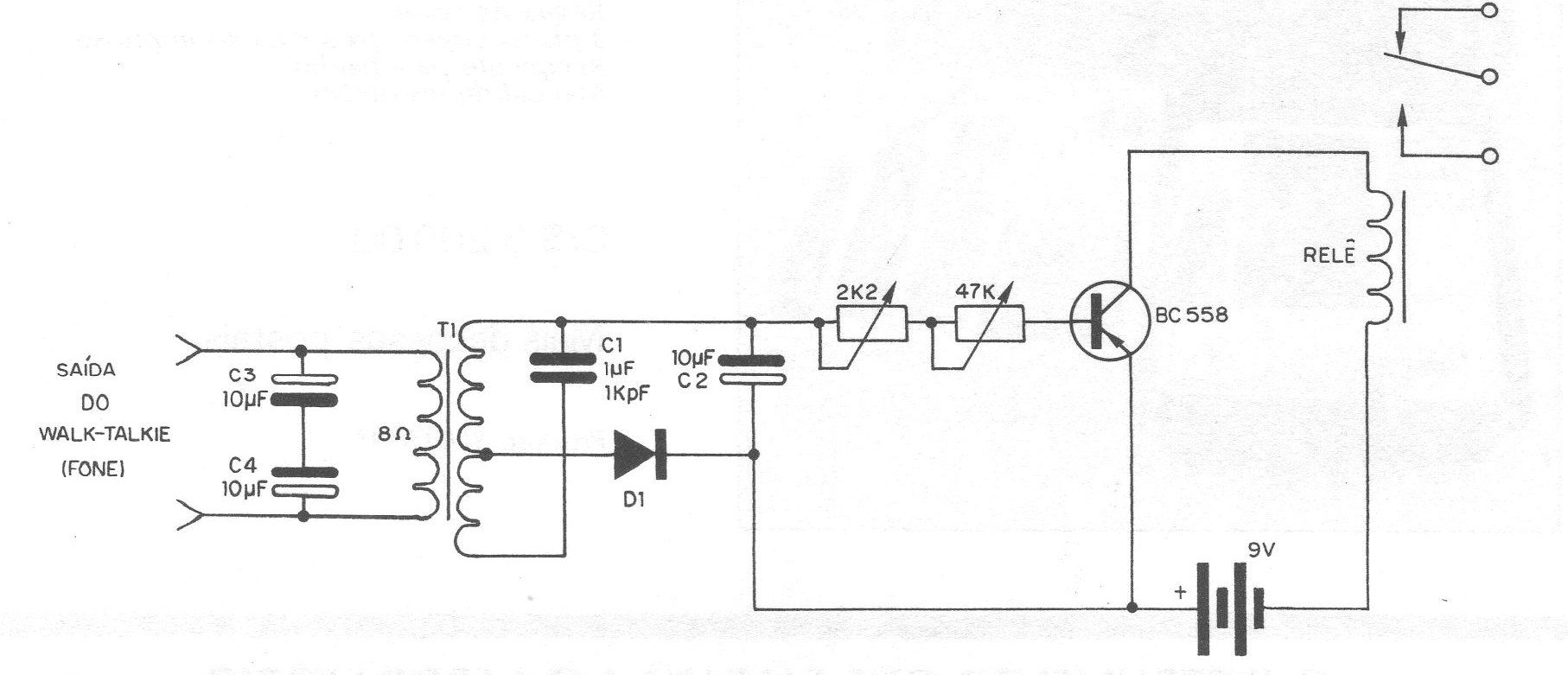
Encontramos este proyecto en una publicación de 1982. Lo que tenemos aquí es un disparador de relé por señal de audio, el cual puede ser conectado a la salida de un walk-talkie, para controlar un aparato cualquiera de mayor potencia. En la salida de un walk-talkie, según lo sugerido por el autor, al silbar cerca del transmisor, tendremos el disparo del relé y el consiguiente accionamiento del aparato remoto. El transformador de este montaje hace la boda de impedancias entre la salida del waIk-talkie y la entrada del amplificador, de un transistor. Este transformador es del tipo de salida para transistores, con 1 k de impedancia de primario aproximadamente. El autor usó originalmente en el proyecto un transistor AC128 de germanio, pero los transistores PNP de uso general de silicio se pueden experimentar. Los potenciómetros o trimpots en la base del transistor permiten el ajuste del punto ideal de funcionamiento, funcionando el más pequeño como ajuste fino. El relé debe ser del tipo sensible para transistores, capaz de disparar con una tensión de al menos 6 V. El diodo D1 es de uso general, pudiendo ser usado el 1N4001, 1N914 o cualquier otro. El condensador C1, de 1nF, tiene su valor conectado a la frecuencia que el circuito responderá con mayor facilidad. Para responder a los sonidos más agudos este capacitor debe ser de pequeño valor.




