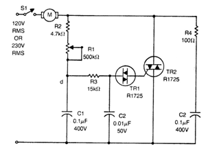
Esta configuración tradicional de control de velocidad con Triac fue encontrada en una documentación técnica de los años 70. El Triac debe tener capacidad de acuerdo con el motor y debe ser montado en un buen radiador de calor. Cualquier diac sirve y el potenciómetro de control puede ser de 470 k que es el valor estandarizado actual.

Control de velocidad para motores (CIR5019S)
Esta configuración tradicional de control de velocidad con Triac fue encontrada en una documentación técnica de los años 70. El Triac debe tener capacidad de acuerdo con el motor y debe ser montado en un buen radiador de calor. Cualquier diac sirve y el potenciómetro de control puede ser de 470 k que es el valor estandarizado actual.




