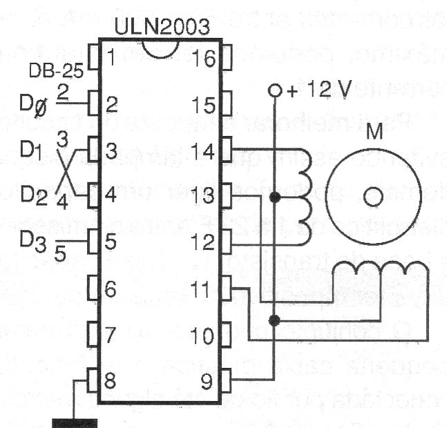
El circuito mostrado en la figura, consiste en la aplicación directa del ULN2003 en que tenemos 4 entradas directas para los búfer del circuito integrado. En esta aplicación las entradas pueden ser obtenidas de lógica digital TTL o CMOS o directamente del puerto paralelo de un PC. Cada bobina del motor de paso se energiza cuando la entrada correspondiente se lleva al nivel alto. Así, en el software que va a ser utilizado se debe prever tanto el tiempo de accionamiento de cada salida como su secuencia o aún posición para la aplicación deseada. Observe que hay una alimentación independiente de 12 V para el motor de paso que operará con una corriente máxima de 500 mA.




