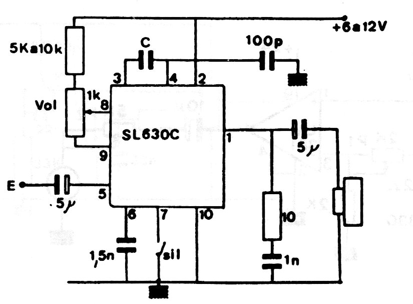
Este circuito utiliza un integrado difícil de encontrar actualmente y el auricular debe ser de alta impedancia. Encontramos este circuito en una publicación europea de los años 80. El condensador determina la respuesta de frecuencia del circuito, pudiendo estar entre 10 nF y 1 uF típicamente.




