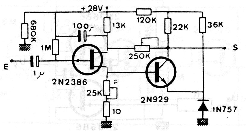
Este circuito de alta ganancia utiliza FET de unión (JFET) y debe ser alimentado por tensiones algo elevadas. La impedancia de entrada es alta y el ruido extremadamente bajo. La corriente consumida también es muy baja.
Este circuito utiliza los flip-flops del circuito anterior para implementar un contador binario de 3...
Este circuito fue encontrado en una edición de 1987 de la revista Hands On Electronics de Estados...
Este circuito de detector de paso por cero o cero crossing detector produce un pulso de salida cada...