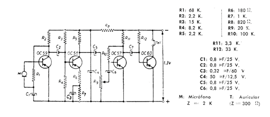
Este amplificador, de una publicación d 1973, es indicado por la Fapesa (Antigua Philips Argentina) como amplificador para auriculares, funcionando para ayuda auditiva. El auricular debe ser de 300 ohmios y el circuito funciona con una sola batería de 1,2 V del tipo botón. Los transistores son tipos de germanio antiguos y el micrófono debe ser dinámico con 2k de impedancia. R9 funciona como un control de ganancia.




